| Συνδεθείτε στην Υπηρεσία Νομοσκόπιο | | | | | Νέοι χρήστες | | Εάν είστε νέος χρήστης, θα πρέπει να δημιουργήσετε ένα ΔΩΡΕΑΝ λογαριασμό προκειμένου να φύγει το παράθυρο αυτό και να αποκτήσετε πλήρη πρόσβαση στην υπηρεσία Νομοσκόπιο. | | Δημιουργία νέου λογαριασμού | | |
1. Γενικά
Οι σήραγγες είναι τμήματα οδών, με ιδιαίτερες απαιτήσεις όσον αφορά στην ασφάλεια κυκλοφορίας και έχουν υψηλό κόστος κατασκευής, συντήρησης και λειτουργίας, πρέπει να μελετώνται με ιδιαίτερη προσοχή και επιμέλεια.
Γενικά ο γεωμετρικός σχεδιασμός οδού είναι αντικείμενο του μελετητή οδοποιίας σε συνεργασία με τους μελετητές των άλλων κατηγοριών του μελετητικού σχήματος. Ειδικότερα, όσον αφορά τον γεωμετρικό σχεδιασμό σηράγγων, η παραπάνω συνεργασία που είναι αναγκαία για την ανοικτή χάραξη επιβάλλεται να είναι σαφώς στενότερη, συνεχής και ουσιαστική.
Το παρεχόμενο επίπεδο ασφαλείας σε μια σήραγγα είναι συνάρτηση πλήθους παραγόντων οι κυριότεροι εκ των οποίων συνοψίζονται στους εξής:
| • | γεωμετρικός - λειτουργικός σχεδιασμός |
| • | δομική διάρθρωση καθώς και η συντήρηση |
| • | συμμετοχή βαρέων οχημάτων στην κυκλοφορία |
Σε κάθε περίπτωση, η ασφάλεια, η οποία αποτελεί άλλωστε και τον κυρίαρχο στόχο, κατά τη διαδικασία σχεδιασμού και λειτουργίας μιας σήραγγας, διαχωρίζεται σε δύο κύριους τομείς (Economic Commission for Europe, 2001):
| • | πρόληψη, η οποία αφορά στην αποφυγή κρίσιμων καταστάσεων |
| • | ελαχιστοποίηση συνεπειών σε περίπτωση αστοχίας |
Στα εδάφια που έπονται, αναλύονται οι μεταβλητές που αφορούν την πρώτη περίπτωση ενώ οι ενέργειες, οι οποίες συνιστούν τη δεύτερη περίπτωση εντάσσονται σε ένα γενικότερο σχεδιασμό.
2. Γεωμετρική Θεώρηση
Η μελέτη χάραξης των οδικών τμημάτων σε σήραγγα πρέπει να εκπονείται σύμφωνα με τις Οδηγίες Μελετών Οδικών Έργων (ΟΜΟΕ-Χ, 2001).
Ειδικότερα στις σήραγγες η τιμή της ταχύτητας μελέτης Ve πρέπει να εξισώνεται με το όριο ταχύτητας VΕΠΙΤΡ και την λειτουργική ταχύτητα V85.
Για τον καθορισμό του ορίου ταχύτητας είναι απαραίτητη η ανάλυση των διατιθέμενων Μηκών Ορατότητας για Στάση (ΜΟΣ). Για τον υπολογισμό δε του διατιθέμενου μήκους ορατότητας ο χρόνος αντίληψης - αντίδρασης πρέπει να ληφθεί ίσος με 2 sec. Εν γένει το όριο ταχύτητας σε σήραγγες κυμαίνεται από 80 km/h έως 100 km/h.
Επειδή αναμένονται μεγάλες διαφορές μεταξύ των τιμών των λειτουργικών ταχυτήτων (ΔV85 > 10 km/h) στα οδικά τμήματα που προηγούνται ή έπονται της σήραγγας και του τμήματος σε σήραγγα, και οι οποίες επιφέρουν σημαντική αύξηση της επικινδυνότητας του οδικού τμήματος στις εισόδους των σηράγγων, πρέπει να εξετάζεται η ομοιομορφία και η συνέχεια των λειτουργικών ταχυτήτων ακόμη και στους αυτοκινητόδρομους (ΟΜΟΕ-Χ, 2001, (κριτήριο ασφάλειας ΙΙ)). Η σταδιακή μείωση των επιπέδων της λειτουργικής ταχύτητας μέχρι του επιθυμητού επιτυγχάνεται:
| • | είτε με την προσαρμογή της χάραξης, που αποτελεί τον καλύτερο και πιο αξιόπιστο τρόπο αντιμετώπισης και ταυτόχρονα υπό προϋποθέσεις μπορεί να συμβάλλει στην μείωση του κόστους του έργου |
| • | είτε με την εφαρμογή συστήματος ειδικής σήμανσης, ιδιαίτερα έντονης και εμφανούς στον οδηγό (γέφυρες σήμανσης, VMS κ.λ.π.), η οποία θα καθοδηγεί αξιόπιστα τους οδηγούς στην επιλογή της κατάλληλης ταχύτητας κίνησης, η οποία μπορεί και να παρακολουθείται και να ελέγχεται (speed monitoring). |
Στο Σχήμα 5.1 δίδονται οι προτεινόμενες ελάχιστες οριζόντιες ακτίνες σε συνάρτηση με το διατιθέμενο μήκος ορατότητας για στάση οι οποίες αναφέρονται στα στόμια των σηράγγων (υγρό οδόστρωμα). Οι αντίστοιχες οριζόντιες ακτίνες που αφορούν στεγνό οδόστρωμα, αναφέρονται στο εσωτερικό της σήραγγας και δίδονται στο Σχήμα 5.2 (βλέπε Παράρτημα Β). Στην τελευταία περίπτωση, η τιμή του διαμήκους συντελεστή πρόσφυσης με ακινητοποιημένους τροχούς ελήφθη 0.60 (Harwood et al., 1993).
Κατά την επιλογή της ελάχιστης οριζόντιας ακτίνας σε σήραγγα, ιδιαίτερα στην περίπτωση του στεγνού οδοστρώματος, πρέπει να εξετάζεται και η περίπτωση της ολίσθησης του οχήματος (ΟΜΟΕ-Χ, 2001) δεδομένου ότι σε ορισμένες περιπτώσεις αυτή η θεώρηση μπορεί να είναι και η κρίσιμη.

Σχήμα 5.1: Ελάχιστη οριζόντια ακτίνα ως προς την κατά μήκος κλίση για οριακή επάρκεια ΜΟΣ (υγρό οδόστρωμα).

Σχήμα 5.2: Ελάχιστη οριζόντια ακτίνα ως προς την κατά μήκος κλίση για οριακή επάρκεια ΜΟΣ (στεγνό οδόστρωμα, fT=0.60).
Εντός σηράγγων σε οδούς της κατηγορίας Α οι κατά μήκος κλίσεις δεν πρέπει να υπερβαίνουν το 4%. Ιδιαίτερα σε σήραγγες μεγάλου μήκους (> 1 km), πρέπει να επιδιώκεται η τιμή της μέγιστης κατά μήκος κλίσης να μην υπερβαίνει το 2.5%. Εντονότερες κατά μήκος κλίσεις έχουν τα εξής μειονεκτήματα:
| • | μεγαλύτερη πιθανότητα ατυχημάτων |
| • | διασπορά εύφλεκτων υλικών με μεγάλη ταχύτητα |
| • | μείωση της ταχύτητας των βαρέων οχημάτων |
Προκειμένου να μην υποβαθμίζεται το παρεχόμενο επίπεδο εξυπηρέτησης, ιδιαίτερα στις σήραγγες διπλής κατεύθυνσης, όπου απαγορεύεται η προσπέραση, πρέπει να επιδιώκεται η διαφορά ταχυτήτων μεταξύ βαρέων φορτηγών και επιβατηγών οχημάτων να μην υπερβαίνει τα 15 km/h (βλέπε Παράρτημα Γ).
Στον Πίνακα 5.1 δίδεται το προτεινόμενο μέγιστο συνιστώμενο μήκος σήραγγας ως συνάρτηση της κατά μήκος κλίσης.
Πίνακας 5.1: Μέγιστο μήκος σήραγγας ως προς την επιρροή της κατά μήκος κλίσης.
s (%)
|
0.5
|
1
|
1.5
|
2
|
2.5
|
3
|
3.5
|
4
|
Σήραγγα Διπλής Κατεύθυνσης (m)
|
> 3000
|
> 3000
|
> 3000
|
1400
|
700
|
500
|
400
|
300
|
Σήραγγα Μονής Κατεύθυνσης (m)
|
> 3000
|
> 3000
|
> 3000
|
> 3000
|
> 3000
|
> 3000
|
1000
|
600
|
Επισημαίνεται, ότι οι τιμές του Πίνακα 5.1 έχουν προκύψει με την θεώρηση, ότι τα οχήματα κινούνται ανεμπόδιστα και δεν λήφθηκαν υπόψη οι μεταβλητές, οι οποίες αφορούν το επίπεδο εξυπηρέτησης της οδού και την οικονομική επιβάρυνση στο σύστημα αερισμού.
Με βάση τις τιμές του Πίνακα 5.1 που αναφέρονται στη Σήραγγα Διπλής Κατεύθυνσης (ΣΔΚ), είναι δυνατός ο κατ' αρχήν προσεγγιστικός προσδιορισμός της κατά μήκος κλίσης σε σχέση με το μήκος της. Αποκλίσεις από τις υπόψη τιμές πρέπει να αιτιολογούνται.
Κατά την επιλογή της κατά μήκος κλίσης και του μήκους εφαρμογής της πρέπει να
| • | προσδιορίζεται το επίπεδο εξυπηρέτησης και |
| • | να εκτιμάται η οικονομική επιβάρυνση στο σύστημα αερισμού. |
Η επιρροή των παραπάνω παραμέτρων πρέπει να αναλύεται σε μια εμπεριστατωμένη τεχνοοικονομική έκθεση βάσει της οποίας δύνανται να απαιτηθεί ελάττωση των προτεινόμενων τιμών του Πίνακα 5.1.
3. Τυπική Διατομή
Οι παράγοντες, που επηρεάζουν την επιλογή της κατάλληλης διατομής μιας σήραγγας είναι:
| • | ο κυκλοφοριακός φόρτος και |
Εκτός όμως από τα στοιχεία του καταστρώματος μιας σήραγγας, σημαντικό ρόλο παίζουν εν προκειμένω οι διαστάσεις του περιτυπώματος και του πρόσθετου χώρου για τον λειτουργικό εξοπλισμό της σήραγγας.
Το περιτύπωμα είναι ο χώρος της διατομής της οδού, στον οποίο δεν πρέπει να υπεισέρχονται σταθερά εμπόδια. Αποτελείται από τον κυκλοφοριακό χώρο, τον άνω και τον πλευρικό χώρο ελευθερίας κινήσεων.
Το συνολικό πλάτος του περιτυπώματος προκύπτει από την εκάστοτε διατομή οδού της σήραγγας.
Το ελάχιστο απαιτούμενο ελεύθερο ύψος για την μηχανοκίνητη κυκλοφορία ανέρχεται σε 4,50 m. Τα πλευρικά όρια του χώρου κυκλοφορίας πρέπει να είναι κάθετα στο οδόστρωμα. Έτσι σε περίπτωση εφαρμογής των μέγιστων τιμών επικλίσεων μπορεί να απαιτηθεί διαπλάτυνση του πλευρικού χώρου ελευθερίας κινήσεων, ώστε σε κάθε περίπτωση να διατίθεται ο αναγκαίος χώρος ελεύθερου εμποδίων.
Το απαιτούμενο πλάτος των λωρίδων καθοδήγησης στις ευθυγραμμίες είναι 0.25 m. Στις καμπύλες κυμαίνεται από 0.25 m έως 0.50 m.
Στο Σχήμα 5.3 δίνονται τα όρια και οι τυπικές διαστάσεις του ελεύθερου εμποδίων χώρου μιας οδού σε σήραγγα. Τα αντικείμενα που παραμορφώνονται εύκολα, όπως οι πινακίδες σήμανσης πρέπει να τοποθετούνται σε απόσταση μεγαλύτερη των 2,50 m πάνω από το πεζοδρόμιο της σήραγγας και να απέχουν από τα όρια του κυκλοφοριακού χώρου κατ' ελάχιστο 50 cm. Οι απαραίτητοι για τον αερισμό ανεμιστήρες πρέπει να τοποθετούνται σε εσοχές στην οροφή της σήραγγας. Επιτρέπεται η τοποθέτηση των εύκολα παραμορφώσιμων φωτιστικών σωμάτων σε κατακόρυφη απόσταση μεγαλύτερη από 3,75 m από το πεζοδρόμιο και έως 50 cm από τα όρια του κυκλοφοριακού χώρου.
Σε περίπτωση που η διάμετρος των ανεμιστήρων είναι > 70 cm, είναι απαραίτητη η διαπλάτυνση των πεζοδρομίων σε συνάρτηση με την διάμετρο των ανεμιστήρων.

Σχήμα 5.3: Τυπικές διαστάσεις περιτυπώματος σήραγγας.
Προκειμένου να καθορισθεί η κατάλληλη διατομή μιας σήραγγας απαιτείται η εκπόνηση σχετικής ανάλυσης, στην οποία θα συνδυάζεται η διατομή της οδού σε σήραγγα με την τυπική διατομή του υπόλοιπου τμήματος της οδού με βάση τα προαναφερθέντα αφενός και την οικονομοτεχνική διάσταση του προβλήματος αφετέρου.
Κατά τον σχεδιασμό των τμημάτων οδικών σηράγγων χρησιμοποιούνται οι διατομές του υπόλοιπου τμήματος της οδού αλλά με μειωμένες διαστάσεις των επί μέρους στοιχείων της διατομής της οδού και χωρίς σταθεροποιημένο έρεισμα ή λωρίδα εκτάκτου ανάγκης (ΛΕΑ).
Στο Σχήμα 5.4 δίδεται η περιοχή εφαρμογής των διατομών οδών σε σήραγγες σε συνάρτηση με τους κυκλοφοριακούς φόρτους. Στο Σχήμα 5.5 και το Σχήμα 5.6 δίδονται οι τυπικές διατομές οδών σε σήραγγα.
Εφ' όσον κριθεί σκόπιμο να εφαρμοσθεί σε σήραγγες διατομή με λωρίδα πολλαπλών χρήσεων, πρέπει για λόγους κόστους το πλάτος της να είναι ίσο με 2,00 m (διατομές 26Τ και 33Τ).

Σχήμα 5.4: Περιοχή εφαρμογής των διατομών οδών σε σήραγγες σε συνάρτηση με τους κυκλοφοριακούς φόρτους.
Η ειδική διατομή 29,5Τ εφαρμόζεται μόνον σε ιδιαίτερες περιπτώσεις με ασυνήθιστα οικονομικό τρόπο κατασκευής και σε σήραγγες πολύ μικρού μήκους.
Κατά την διαδικασία επιλογής της κατάλληλης διατομής σε σήραγγα πρέπει να λαμβάνονται υπόψη τα εξής δεδομένα:
| • | ο τρόπος κατασκευής της σήραγγας, |
| • | το πλήθος των λωρίδων κυκλοφορίας ανά κατεύθυνση, |
| • | το προβλεπόμενο μήκος σήραγγας, |
| • | η μέση κατά μήκος κλίση στην σήραγγα σε ανωφέρεια (0 έως 4%), |
| • | η μέση συμμετοχή της εμπορευματικής κυκλοφορίας (0 έως 20%) και |
| • | η Ετήσια Μέση Ημερήσια Κυκλοφορία |
ανοικτό
τμήμα
|
αντιστοίχηση
|
περιγραφή
|
α 6 ν σ
β 6 ν σ
|
33 Τ
|
τυπική λύση με ΛΕΑ (...) εφαρμόζεται μετά από αιτιολόγηση στις διατομές α 6 ν σ
|

|
α 6 ν σ
β 6 ν σ
|
33 t
|
τυπική λύση χωρίς ΛΕΑ(...) εφαρμόζεται μετά από αιτιολόγηση στις διατομές α 6 ν σ
|

|
α 4 ν σ
β 4 ν σ
|
26 Τ
|
τυπική λύση με ΛΕΑ (...) εφαρμόζεται μετά από αιτιολόγηση στις διατομές α 4 ν σ
|

|
α 4 ν σ
β 4 ν σ
|
26 t
|
τυπική λύση χωρίς ΛΕΑ (...) εφαρμόζεται μετά από αιτιολόγηση στις διατομές α 4 ν σ
|

|
Σχήμα 5.5: Τυπικές διατομές σε σήραγγα (α).
ανοικτό
τμήμα
|
αντιστοίχηση
|
περιγραφή
|
α 4 ν σ
|
29.5 Τ
|
λύση προτεινόμενη σε
εξαιρετικές περιπτώσεις
|

|
β 4 ν σ
|
26 Τ
|
λύση εναλλακτική της 26Τ συνιστώμενη σε εξαιρετικές περιπτώσεις
|

|
β 2 + 1
γ 2
|
10.5 Τ
|
τυπική λύση
|

|
ε 2
|
10.0 Τ
|
τυπική λύση
|

|
Σχήμα 5.6: Τυπικές διατομές σε σήραγγα (β).
4. Λοιπά Στοιχεία Σηράγγων
Για λόγους ασφάλειας της κυκλοφορίας στην σήραγγα ενδείκνυνται τα παρακάτω κατασκευαστικά στοιχεία:
4.1 Λωρίδα πολλαπλών χρήσεων
Η εφαρμογή ή όχι λωρίδας πολλαπλών χρήσεων προκύπτει από τεχνικοοικονομική ανάλυση σε συνάρτηση με τους κυκλοφοριακούς φόρτους, το μήκος της σήραγγας και τον τρόπο κατασκευής της.
4.2 Εσοχές έκτακτης στάθμευσης
Οι εσοχές έκτακτης στάθμευσης προβλέπονται, όταν για λόγους οικονομίας δεν κατασκευάζονται λωρίδες πολλαπλών χρήσεων.
Είναι απαραίτητες όταν το μήκος της σήραγγας υπερβαίνει τα 1050 m. Οι εσοχές αυτές πρέπει να απέχουν μεταξύ τους από 700 m έως 1100 m περίπου.
Σε σήραγγες διπλής κατεύθυνσης, οι εσοχές έκτακτης στάθμευσης πρέπει να διατάσσονται κατά το δυνατόν αντικριστά η μία στην άλλη, ώστε να είναι δυνατή η αναστροφή οχημάτων.
Επιβάλλεται η σήμανσή τους καθώς και η ύπαρξη τηλεφώνου και πυροσβεστικού κρουνού.
Στα σχήματα 5.7 και 5.8 απεικονίζονται οι τυπικές διαμορφώσεις μονόπλευρης και αμφίπλευρης αντίστοιχα εσοχής έκτακτης στάθμευσης.

Σχήμα 5.7: Τυπικές διαμορφώσεις μονόπλευρης εσοχής έκτακτης στάθμευσης.
Υπόμνημα (ενδεικτικές θέσεις): ΠΦ = Πυροσβεστική Φωλεά, ΗΦ = Η/Μ Φωλεά, ΤΕΑ = Τηλέφωνο Εκτάκτου Ανάγκης

Σχήμα 5.8: Τυπικές διαμορφώσεις αμφίπλευρης εσοχής έκτακτης στάθμευσης.
Υπόμνημα (ενδεικτικές θέσεις): ΠΦ = Πυροσβεστική Φωλεά, ΗΦ = Η/Μ Φωλεά, ΤΕΑ = Τηλέφωνο Εκτάκτου Ανάγκης
4.3 Έξοδοι διαφυγής πεζών
Σε σήραγγες, των οποίων το μήκος υπερβαίνει τα 700 m, πρέπει να διατάσσονται εγκάρσιες έξοδοι διαφυγής περίπου ανά 350 m, εφόσον το σύστημα εξαερισμού της σήραγγας σε περίπτωση πυρκαγιάς δεν παρέχει επαρκή ασφάλεια. Επιβάλλεται η σήμανσή τους ανά 50 m σε ύψος 1.0 m - 1.5 m από το πεζοδρόμιο με ένδειξη της απόστασης.
Σε σήραγγες διπλού κλάδου οι εγκάρσιες έξοδοι διαφυγής οδηγούν κατά κανόνα από την μία σήραγγα στην άλλη.
Στις μονές σήραγγες διπλής κατεύθυνσης, εφόσον δεν είναι δυνατή η επικοινωνία των εγκάρσιων σηράγγων διαφυγής με τον εξωτερικό χώρο πρέπει να προβλέπεται διαμήκης σήραγγα διαφυγής, με την οποία θα συνδέονται οι αντίστοιχες εγκάρσιες. Σε εξαιρετικές περιπτώσεις μπορεί να προτείνονται και άλλοι τρόποι διαφυγής.
Οι εγκάρσιες έξοδοι διαφυγής πρέπει να κλείνουν με θύρες που να τοποθετούνται σε απόσταση περίπου 3,0 m από την οριογραμμή της σήραγγας. Η περιοχή των θυρών πρέπει να διαμορφώνονται με μηδενική κατά μήκος κλίση και επίκλιση.
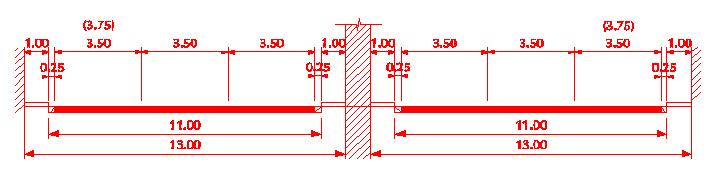
Στο Σχήμα 5.9 απεικονίζεται η τυπική διαμόρφωση μιας εγκάρσιας εξόδου διαφυγής πεζών. Οι διαστάσεις και τα όρια του περιτυπώματος των εγκάρσιων εξόδων διαφυγής πεζών δίδονται στο σχήμα 5.10.
Η ελάχιστη κατά μήκος κλίση μιας εγκάρσιας εξόδου διαφυγής πεζών ανέρχεται σε 0,5% και η μέγιστη σε 10,0%. Η μηκοτομή της πρέπει να διαμορφώνεται κατά το δυνατόν με κυρτή κατακόρυφη καμπύλη. Το οδόστρωμα πρέπει να διαμορφώνεται μονοκλινές με τιμή επίκλισης ίση με 2,0%.

Σχήμα 5.9: Τυπική διαμόρφωση εξόδου διαφυγής πεζών (κάτοψη).
Υπόμνημα (ενδεικτικές θέσεις): ΠΦ = Πυροσβεστική Φωλεά, ΤΕΑ = Τηλέφωνο Εκτάκτου Ανάγκης

Σχήμα 5.10: Τυπική διαμόρφωση διατομής εξόδου διαφυγής πεζών.
4.4 Προσέγγιση οχημάτων εκτάκτου ανάγκης - έξοδοι διαφυγής οχημάτων
Οι εγκάρσιες έξοδοι διαφυγής ανά τρεις πρέπει να διαμορφώνονται έτσι, ώστε να είναι δυνατή η διέλευση προσέγγιση οχημάτων έκτακτης ανάγκης, όπως πυροσβεστικά οχήματα και ασθενοφόρα.
Στις υπόψη εξόδους, η επικοινωνία μεταξύ κλάδων σηράγγων θα περιλαμβάνει ξεχωριστές θύρες για την πρόσβαση οχημάτων εκτάκτου ανάγκης και διαφυγής προσώπων αντίστοιχα.
Η χωροθέτησή τους θα πρέπει κατά το δυνατόν να συνδυάζεται με τις εσοχές στάθμευσης εκτάκτου ανάγκης για λόγους διευκόλυνσης των ελιγμών εκτός και αν υπάρχουν βάσιμοι λόγοι οι οποίοι να απαγορεύουν κάτι τέτοιο.
Η κατά μήκος κλίση και η μηκοτομή τους θα πρέπει να διαμορφώνεται όπως και στις εγκάρσιες εξόδους διαφυγής πεζών. Πρέπει δε να προβλέπονται αποχετευτικά ρείθρα. Το οδόστρωμα πρέπει να διαμορφώνεται μονοκλινές με τιμή επίκλισης ίση με 2.5%.
Οι εγκάρσιες έξοδοι διαφυγής οχημάτων εκτάκτου ανάγκης - οχημάτων πρέπει να κλείνουν με θύρα η οποία θα τοποθετείται σε απόσταση περίπου 4.50 m από την οριογραμμή της σήραγγας. Η περιοχή των θυρών πρέπει να διαμορφώνονται με μηδενική κατά μήκος κλίση και επίκλιση.
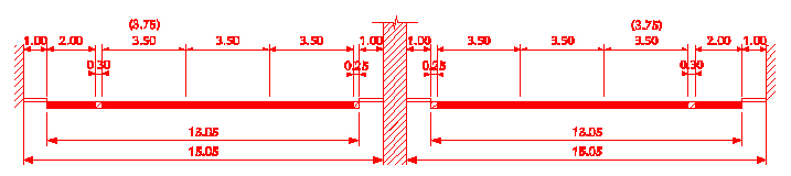
Στις σήραγγες με ιδιαίτερα μεγάλο μήκους (> 6 km) και περί το μέσον αυτών, πρέπει να διατάσσεται εσοχή αναστροφής για οχήματα μεγάλου μήκους.
Στο Σχήμα 5.11 απεικονίζεται η τυπική διαμόρφωση σήραγγας προσέγγισης οχημάτων εκτάκτου ανάγκης.

Σχήμα 5.11: Τυπική διαμόρφωση σήραγγας προσέγγισης οχημάτων εκτάκτου ανάγκης (κάτοψη)
Υπόμνημα (ενδεικτικές θέσεις): ΠΦ = Πυροσβεστική Φωλεά, ΤΕΑ = Τηλέφωνο Εκτάκτου Ανάγκης
Οι διαστάσεις και τα όρια του περιτυπώματος των εγκάρσιων εξόδων διαφυγής οχημάτων εκτάκτου ανάγκης και για οχήματα δίδονται στα σχήματα 5.12 και 5.13 αντίστοιχα.

Σχήμα 5.12: Τυπική διατομή σήραγγας προσέγγισης οχημάτων εκτάκτου ανάγκης.

Σχήμα 5.13: Τυπική διατομή εξόδου διαφυγής οχημάτων.
Τέλος στο Σχήμα 5.14 απεικονίζεται συνδυασμός εγκάρσιας εξόδου διαφυγής οχημάτων και εσοχών στάθμευσης εκτάκτου ανάγκης σε δίδυμες σήραγγες.

Σχήμα 5.14: Τυπική διαμόρφωση εποχούμενης εγκάρσιας σήραγγας.
4.5 Πεζοδρόμια
Και από τις δύο πλευρές του οδοστρώματος πρέπει να διατάσσονται πεζοδρόμια για περιπτώσεις έκτακτης ανάγκης πλάτους τουλάχιστον 1,00 m. Τα κράσπεδα πρέπει να έχουν ύψος 7 cm.
Στις περιπτώσεις απαίτησης κυκλοφορίας πεζών στη σήραγγα (πχ. αστική σήραγγα), υπό κανονικές συνθήκες πρέπει να εξετασθεί η περίπτωση χωροθέτησης ξεχωριστού στομίου. Αν αυτό δεν είναι δυνατόν απαιτείται η τοποθέτηση κιγκλιδώματος και η ύψωση του πεζοδρομίου τουλάχιστον κατά 0.50 m από την επιφάνεια κυκλοφορίας, ενώ και στην περίπτωση αυτή ως ελάχιστο πλάτος πεζοδρομίου ορίζεται αυτό με πλάτος 1.00 m (Design of Road Tunnels, 1999). Επισημαίνεται ότι στην περίπτωση αυτή απαιτείται αντίστοιχη προσαρμογή στα γεωμετρικά στοιχεία.
4.6. Έλεγχοι ύψους οχημάτων
Πριν την είσοδο σε μία σήραγγα είναι σκόπιμη η εγκατάσταση συστημάτων ελέγχου του ύψους των οχημάτων. Τα συστήματα ελέγχου του ύψους των οχημάτων πρέπει να τοποθετούνται έτσι, ώστε να είναι δυνατή η ακινητοποίηση ενός υψηλού οχήματος. Πρέπει δε προς τούτο το όχημα να είναι δυνατόν να σταματήσει σε παρακείμενη επιφάνεια πριν την σήραγγα ή να εισέλθει σε άλλη οδό πριν την είσοδο στην σήραγγα.
5. Κυκλοφοριακοί Περιορισμοί
Οι κυριότεροι κυκλοφοριακοί περιορισμοί που επιβάλλονται κατά την κίνηση οχημάτων σε σήραγγες είναι:
| • | απαγόρευση της προσπέρασης σε σήραγγες διπλής κατεύθυνσης |
| • | απαγόρευση της αναστροφής στην κατεύθυνση κίνησης των οχημάτων εκτός και αν παραστεί έκτακτη ανάγκη (πχ. πυρκαγιά) και αφού προηγουμένως ζητηθεί ο υπόψη ελιγμός μέσω του προσωπικού συντήρησης της σήραγγας. |
| • | απαγόρευση της στάσης με εξαίρεση την περίπτωση εκτάκτου περιστατικού |